Riza Kaja | Computer Engineer

Projects

Bootstrap Themes

AI Assistant for Civil Code

CivilAI is an advanced AI-powered chatbot designed to interpret and analyze the Civil Code of the Republic of Albania. Leveraging natural language processing and large language models, it provides law students, legal professionals, and citizens with accurate legal insights, article explanations, and real-time assistance for navigating Albanian legislation.

Bootstrap Themes

Arteon: The Culture & Tech Hub

Arteon is a vibrant cultural and technological hub that brings together artists, technologists, and innovators to create a dynamic space for creativity and collaboration. It serves as a platform for showcasing cutting-edge technology while celebrating artistic expression and cultural diversity.

Bootstrap Themes

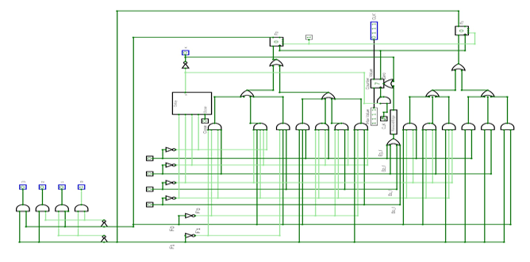
Multi-Floor Elevator Logic Circuit

Elevator Control Circuit is a custom-designed electronic system that manages elevator floor selection and motor direction. It processes user inputs from floor buttons, determines the current floor, and controls the lift motor to move the elevator up or down accordingly. The circuit also includes basic safety features and floor position indicators for reliable operation in small-scale building applications.

For more projects visit my GitHub profile.